Yaesu Sommerkamp geschiedenis
Sommerkamp FLDX500 = Yaesu FLDX400, Sommerkamp FRDX500 = Yaesu FRDX400,
Yaesu FT-101E, Yaesu FT-101ZD mk3, Yaesu FT-225RD, Yaesu FT480R
De naam Yaesu heeft een Nederlands tintje. Op 19 april 1600 arriveerde
een Nederlands schip "De Liefde" vanuit Rotterdam in Japan.
Op het schip "De Liefde" reisde Jan Joosten van Lodensteyn mee als
koopman. Er voer een konvooi van 5 schepen naar Japan slechts een schip
kwam aan in Japan.
In het jaar 1609 was Jan Joosten van Lodensteyn betrokken bij de
oprichting van het eerste Nederlandse handelspost in Japan op het
eiland
Hirado.
In ruil voor zijn diensten kreeg Jan Joosten van Lodensteyn een huis.
Hij
bleef in Japan en trouwde met Japanse vrouw. Zijn naam werd verjapanst
naar Yayösu.
Waarvan de moderne naam Yaesu is afgeleid
In Tokio is er een buurt naar hem vernoemd "Yaesu" in de wijk Chuo. In
deze buurt bevinden zich twee monumenten ter herinnering aan Jan
Joosten van Lodensteyn.
Yaesu Musen Co. Ltd. (Musen betekent radio) is in 1959 opricht door een
Japanse zendamateur Sako Hasegawa (JA1MP) in de buurt Yaesu wijk
Chuo in de stad Tokio.
Sako Hasegawa overleed in 1993. Ter nagedachtenis is er een suffix
toegevoegd aan een aantal tranceivers waaronder de FT1000MP.
Zijn zoon Jun Hasegawa nam de leiding over van het bedrijf.
Yaesu Musen kocht in 1998 het merk Standard Radio van Marantz. De
bedijfsnaam werd in 2000 verandert naar Vertex Standard.
In 2007 kondige Motorola aan dat het 80 % van de aandelen wilde
kopen van Vertex Standard. Die in het bezit waren van Tokigen
(een bedrijf van Jun Hasegawa).
Tokigen behield de overge 20%. De aankoop van Motorola was voltooid in
januari 2008.
Vertex standard als losstaand merk is zo goed als verdwenen en is nu
onderdeel van Motorola Solution
De amateurradio, luchtvaartcommunicatie en maritieme radio is
verplaatst naar een nieuw bedrijf Yaesu Musen in de Verenigde Staten.
Sako Hasegawa had in 1956 een bedrijf waar het televisies repareerde.
Daarnaast begon hij met het ontwikkelen van zenders. Alleerst voor
zichzelf maar later ook voor vrienden en bekenden.
Dit werd een groot succes. Het eerste product was een zender voor 40m
uitgangsvermogen 10Watt de FL10 deze werd geproduceerd tot 1963.
Later
volgde de FL20 een zender voor 5 banden en een vermogen van 20Watt. In
1963 kwam de FL100. Een zender met VFO en een
uitgangsvermogen van 100W.
In 1964 werd er rond gekeken of Yaesu ook in het buitenland kon
verkopen.
Australië was één van de eerste landen waar Yaesu
werd
geïmporteerd.
Fred Bail VK3YS en Jim Bail VK3ABA startte daarvoor
een bedrijf Bail electronic services.
In de begin tijd was het slecht gesteld met de kwaliteits controle van
Yaesu. De zenders werden uitgebreid getest voordat
het uiteindelijke naar de klant in Australië ging.
De VFO was nogal
temperatuurs afhankelijk. Bail electronics modificeerde de VFO zodat
deze beter werden. Bail electronics stuurde de modificaties naar Yaesu
in Japan. Die dit ook aanpaste in de productie.
Ook vertaalde Bail
electronics de handleidingen van Japans naar Engels. Deze werden ook
verstuurd naar Yaesu in Japan zodat ook andere landen deze konden
gebruiken.
Een Duitser Wolgang Sommerkamp DJ2YJ verkocht in 1960 producten van
Amerikaanse fabrikanten zoals Collins, Heathkit,
Hailcrafters en Vibroplex.
Hij opende een grote winkel in Dusseldorf
samen met Peter Weber (DJ4BR) en verkocht o.a. 27Mc portofoons van het
Japanse merk Tokai.
Peter Weber ging in 1963 gedurende een zakenreis in
Japan ook naar Yaesu. En kwam overeen dat de producten van Yaesu in
Europa verkocht mochten worden onder de merknaam Sommerkamp.
Dit merk
was toen al in gebruik voor 27Mc zend/ontvangers die door Sommerkamp
waren ontwikkeld die geproduceerd werden in Japan.
Wolfgang Sommerkamp verhuisde in 1967 naar Zwitsterland om
belastingtechnische reden. Hij had daar de call HB9XSO.
Sommerkamp groeide enorm door de populariteit van dit merk onder de
zendamateurs en ook de 27Mc gemeenschap.
In 1986 sloot Sommerkamp door de dalende populariteit van 27Mc.
Wolfgang Sommerkamp is toen verhuisd naar Tenerife en gebruikte daar de
call EA8YS. Hij overleed in september 2021.
Sommerkamp werd ook verkocht in Nederland. Later werd het merk Yaesu
ook verkocht in Nederland.
De ontvanger Sommerkamp FR-DX500 is gelijk aan de Yaesu FR-DX400 en de
zender Sommerkamp FL-DX500 is gelijk aan de Yaesu FL-DX400. Ze worden
ook wel de Yaesu Twins genoemd.
Ik heb 2 ontvangers en een
zender gekocht in 2023 als opknapper.

Ik heb van de onderdelendonor wat onderdelen overgezet in de betere
ontvanger. Steuntje pl chassisdelen voor 2m en 6m convertors en de
vaste kanalen uitbreiding. Na het rustig aan op spanning brengen van de
ontvanger heb ik deze getest.
De bandschakelaar was vervuild deze is
schoongemaakt. Daarna functioneerde de ontvanger weer. Vervolgens
heb
ik de VFO verbindingskabel gemaakt. En de remote kabel tussen zender en
ontvanger.
De ontvanger is voorzien van bijna alle opties zoals FM detector en
ijkgenerator. De 6m en 2m transvertor zoek ik.

Het RF signaal passeert eerst bandsperfilter van 5,6MHz gevolgd door
een RF-versterker (6BZ6). Voor de verschillende banden zijn er
verschillende kristallen.
De kristalocsillator is opgebouwd met de penthode can de 6U8. Het
RF-signaal wordt met de triode van de 6U8 gemengd naar de eerste
middenfrequent 5,3545 - 5,9545 MHz.
| kristal [MHz] |
band [MHz] |
| 7,6535 |
1,7 - 2,3 |
| 9,4535 |
3,5 - 4,1 |
| 12,8535 |
6,9 - 7,5 |
| 19,8535 |
13,9 - 14,5 |
| 26,8535 |
20,9 - 21,5 |
| 33,8535 |
27,9 - 28,5 |
| 34,4535 |
28,5-29,1 |
| 34,8535 |
(26,9 - 27,5) |
| 35,4535 |
(29,5 - 30,1) |
| 15,8535 |
9,9 -10,5 |
| 32,8535 |
|
Dit signaal wordt met de tweede mengbuis 6BE6 naar de tweede
middenfrequent (455kHz) gemengd.
Met het signaal van de VFO welke loopt vanaf 4,9MHz tot 5,5MHz. De VFO
is opgebouwd uit transistoren. Maar het VFO signaal wordt versterkt met
6U8.
Het tweede middenfrequent signaal wordt gefilterd met mechanische
filters. Na het mechanisch filter passeert de tweede
middenfrequent twee middenfrequentversterkers (2x 6BA6).
Het middenfrequent signaal wordt gedemoduleerd met ring
demodulator. Voor SSB en CW ontvangst is er een BFO oscillator
opbebouwd met een triode van de 12AT7.
Het LF signaal wordt versterkt met de 6BM8.
Het herstel van de zender was meer werk. De zender is eerst rustig op
spanning
gebracht. De voedingsspanningen gecontroleerd. De 150V was veel te hoog
deze was 258V.
Daarna is de mode schakelaar gereinigd, meter schakelaar gereinigd en
de,
biasstroom afgeregeld. De condensatoren voor de negatieve
voedingspanning
waren slecht deze zijn vervangen.
Daarna stap voor stap de signalen geoontroleerd. De kristal
oscillatoren voor LSB en AM werkte niet, na het afregelen van de
bijbehorende trimmers werkte dit weer. Verder alles weer afgeregeld.
Helaas is in het vorig leven een kern in een 10m spoel gebroken zodat
ik deze niet kan afregelen. Ik ben op zoek naar een donor FL-DX400 of
FL-DX500.
Op FL-DX400 kan er gekozen worden voor afstemmen met de VFO ontvanger
of VFO zender voor het werken met split frequenties.
Zender en ontvanger moeten dan wel met elkaar worden verbonden.

De microon ingang iheeft een hoge impedantie. Het microfoon signaal
wordt versterkt door de 6AN8. De eerste middenfrequent 455kHz wordt
opgewekt door het penthode deel van de 6U8. Het microfoonsignaal wordt
gemoduleerd met een ring modulator. Het middenfrtequent signaal wordt
gefilterd. Daarna wordt het gemengd met een 12AT7 naar de tweede
middenfrequent frequentie van 9 MHz. De middenfrequenties van 9,4535
MHz (LSB) of 8,5435MHz(USB) word opgewekt met een 12AU7. De 9 MHz
midden frequent wordt versterkt door de 6BA6.
Het AM signaal bestaat uit de draaggolf frequentie en de boven zijband.
De band oscillator is opgebouwd met de triode van 6AW8 . Het
middenfrequent signaal van 9MHz wordt naar voen gemengd met de pentode
van de 6AW8
| band [m] |
kristal [MHz] |
meng [MHz] |
zendfrequentie [MHz] |
| 80 |
X |
9 |
3,5 - 4,1 |
| 40 |
3,4 |
12,4 |
6,9 - 7,5 |
| 20 |
10,4 |
19,4 |
13,9 - 14,5 |
| 15 |
17,4 |
26,4 |
20,9 - 21,5 |
| 10A |
24,4 |
33,4 |
27,9 - 28,5 |
| 10B |
25,0 |
34,0 |
28,5 - 29,1 |
| 10C |
25,4 |
34,4 |
28,9 - 29,5 |
| 10D |
26 |
35,0 |
29,5 - 30,1 |
Men kan een kristal toevoegen in de "auxiliary band" de
kristalfrequentie [MHz] = band frequentie + 5,4 - 9.
De VFO is uitgevoerd met transisotoren en is identiek aan de VFO van de
FR-DX500. De VFO loopt vanaf 4,9MHz - 5,5MHz. Het VFO signaal wordt
versterkt met 12AU7. De VFO frequentie wordt gemengd met 6CB6. Het RF
signaal gaat via de 12BY7 naar de twee eindbuizen 6J6.

Ik heb de Yaesu FT-101E gekocht in 2020. De Kenwood TS-520 en TS-820
waren de
directe concurenten voor deze tranceiver. De Yaesu FT-101E is
geproduceerd in 1975.
De allereerste FT-101 kwam in 1970 in productie. De Sommerkamp FT-227
was identiek aan de FT-101 en werd in Europa onder die naam verkocht.
De tranceiver iss volledig uitgevoerd met halfgeleiders met
uitzondering van de driver buis 12BY7 en de twee eindbuizen 6J6. Voor
mobiel gebruik kon de set gevoed worden met 12V.
Voor de hoogspanning
was er een geschakelende voeding. De tranceiver was modulair opgebouwd
met uitneembare modules.
De banden lopen vanaf 160m - 10m, alleen ontvangst 10 - 10,5 MHz. De
modus zijn CW, LSB, USB en AM.
De eerste FT-101 hadden problemen als er sterke
RF signalen in de buurt kwamen. In 1974 kwam er een nieuw model dit was
de FT-101B. Aan de buitenkant waren er weinig veranderingen.
Intern waren de problemen opgelost van de eerste FT-101 serie. Ook was
de ruis
onderdrukking verbeterd en werd 160m toegevoegd.
In 1975 werd de FT-101E geïntroduceerd. Het uiterlijk was enorm
veranderd ten opzichte van de FT-101B. De schakelaars zijn
verandert. En er was een nieuwe functie toegevoegd de spraak processor.
Er was ook een nieuwe rode knop om de clarifier uit en aan te schakelen.
De FT-101E had drie versies. De FT-101E was voorzien van alle
opties. De FT-101EE (economy) had geen spraak processor en was iets
goedkoper.
De FT-101EX (extreme economy) was nog goedkoper., Deze versie
had geen spraak processor, geen 160m kristal, geen microfoon, en
geen 12V
voedingsmogelijkheid.
De FT-101E is in grote aantalen verkocht. Er is
ook nog een FT-101F gemaakt met enkele verbeteringen. Maar deze is snel
opgevolgd door de FT-101Z en FT-101ZD zend/ontvangers en de FT-901 en
FT-902.
Er waren aardig wat accesoires: een tafelmicrofoon YD-844, een
frequentiedisplay YC601 of YC601B (zoek ik), monitor scope YO-100 of
YO-101(zoek ik),
eindversterker FL-2100 en de transvertors FTV-250 (2m) en FTV-650B (6m).

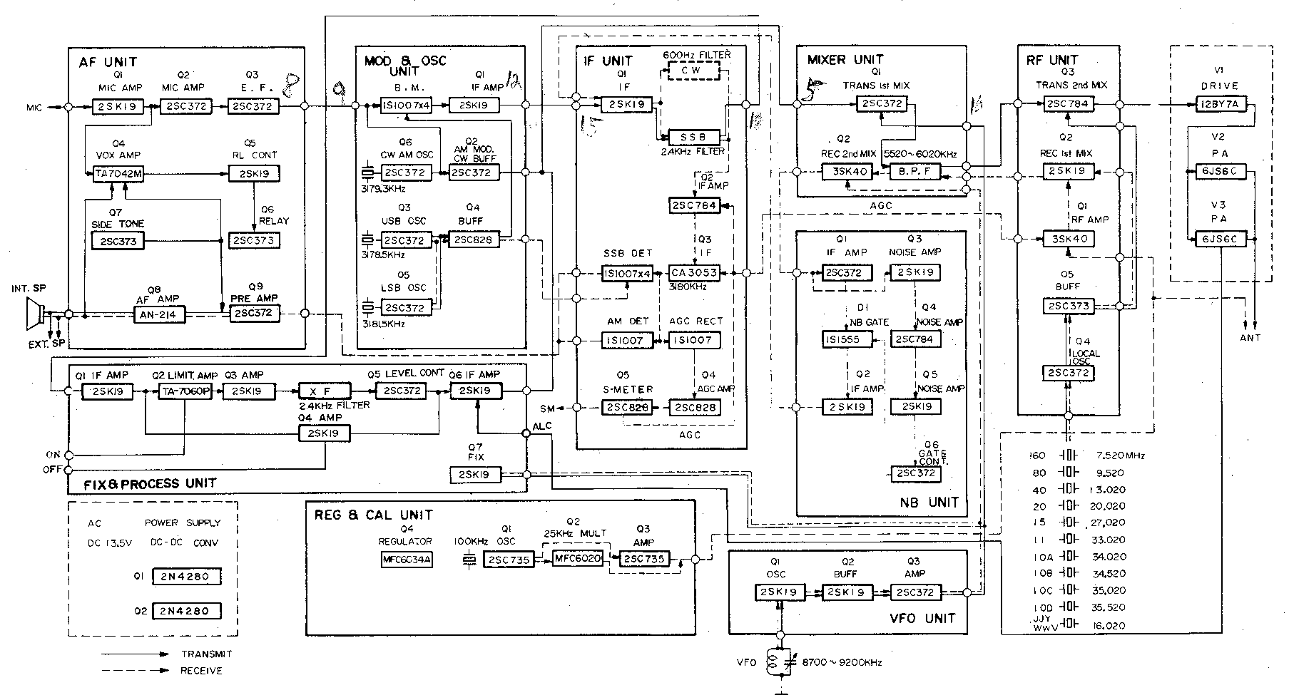
Ontvangstgedeelte.
Het inkomende RF signaal wordt eerst versterkt. Waarna het naar de
eerste middenfrequentie wordt gemengd met behulp van de
kristaloscillator
| band [m] |
kristal [MHz] |
| 160 |
7,520 |
| 80 |
9,520 |
| 40 |
13,020 |
| 20 |
20,020 |
| 15 |
27,020 |
| 10A |
34,020 |
| 10B |
34,520 |
| 10C |
35,020 |
| 10D |
35,520 |
| Aux |
|
| WWW |
16,020 |
De eerste middenfrequent loopt vanaf 5,520 MHz - 6,020 MHz. De
eerste middenfrequentie wordt gefilterd en wordt daarna naar de tweede
middenfrequentie (3,180 MHz) gemengd met het VFO signaal. De VFO loopt
vanaf 8,7 - 9,2 MHz.
De tweede middenfrequentie wordt gedemoduleerd door een ring
demodulator. Het LF signaal wordt daarna gefilterd en versterkt.
Er kan nog een kristal bijgeplaatst worden. Dit kristal moet tussen
8700 en 9200 kHz zijn.
De formule is Kristalfrequentie = (F1 + Fc) - gewenste frequentie.
|
F1 + Fc [kHz] |
| Band [m] |
LSB |
USB |
AM/CW |
| 160 |
10701,5 |
10698,5 |
10699,3 |
| 80 |
12701,5 |
12698,5 |
12699,3 |
| 40 |
16201,5 |
16198,5 |
16199,3 |
| 20 |
23201,5 |
23198,5 |
23199,3 |
| 15 |
30201,5 |
30198,5 |
30199,3 |
| 10A |
37201,5 |
37198,5 |
37199,3 |
| 10B |
37701,5 |
37698,5 |
37699,3 |
| 10C |
38201,5 |
38201,5 |
38299,3 |
| 10D |
38701,5 |
38698,5 |
38699,3 |
| 11 |
36201,5 |
36198,5 |
36199,5 |
Zendgedeelte
Het laagohmige micofoonsignaal wordt eerst versterkt en daarna
gemoduleerd met de eerste middenfrequentie.
De frequentie van de eerste middenfrequentie is 3,1815MHz bij LSB,
3,1785 MHz bij USB en 3,1795MHz bij CW en AM. Dit signaal wordt
versterkt
en gefilterd met een kristalfilter. Na het filter wordt het signaal
gecomprimeerd en begrenzd door de spraak processor.
Het eerste middenfrequentisignaal wordt gemengd met VFO frequentie naar
de tweede middenfrequentie (5,520 - 6,020 MHz) en gaat via een
banddoorlaatfilter naar de laatste mengtrap. Met deze mengtrap wordt de
tweede middenfrequentie gemengd naar de uiteindelijke frequentie net
bandkristalosccilator.
De uiteindelijke zendfrequentie wordt versterkt met driver buis 12BY7A
en 2 stuks 6J6.

De FT-101Z en ZD werd in 1979 geïntroduceerd. De FT-101Z had geen
frequentiedisplay maar was wel voorbereid. De FT-101ZD had wel
een frequentiedisplay. De Kenwood TS-530 en TS-830 waren de
concurerende tranceivers.
De FT-101Z en ZD had een bererik van 160m tot 10m. De FT-101Z en ZD
waren volledig opgebouwd met halfgeleiders met uitzondering van de
driver buis 12BY7 en de einnbuizen 6146B.
De eerste versie had alleen SSB en CW en nog geen WARC banden. FM of AM
was een optie
In 1979 zijn er tijdens het World Administrative Radio Conference (WARC) nieuwe banden
toegewezen aan de zendamateur. Dit zijn de 30m band(10,1 - 10,15MHz),
17m band (18,068 - 18,1698 MHz) en de 12m band (24,890 - 24,990 MHz).
Deze frequenties zijn in 1980 in gebruik genomen.
In 1980 werd de MK1 opgevolgd door de MK2 deze was voorzien van alle
WARC banden. Een jaar later kwam de MK3 deze was voorzien van alle WARC
banden, AM of FM module en audio notch/ piek filter.
De verschillende
versies zijn eenvoudig te herkennen aan de voorkant
De MK1 heeft geen warc banden, de MK2 heeft wel warc banden en als
laatste de MK3 deze heeft andere knoppen. De achterste ring is zilver
kleurig in plaats van grijs bij de MK1 en MK2. Ik heb zelf de MK3 en
heb deze in 2005 gekocht.
De FT-101Z en FT-ZD FT-901 FT-902 hebben ook verschillende accesoires
Ik heb zelf de
antennetuner FC-902, de externe VFO FV-101Z, de FTV-901R
transvertor
voor 2m, 70cm en 6m, de luidspreker SP90 en de monitorscope YO-901.





Er was ook een digitale VFO met geheugen de FV-101DM met geheugen
overigens werkt deze alleen met FT-101ZD MK3.De mogelijkheid om de
tranceiver op 13,8V DC te voeden was een optie.
Voor extra uitgangsvermogen kon men de FL2100Z
vermogensversterker gebruiken.
Een meer uitgebrede variant van de FT101ZD was FT-901 en FT-902 deze
hadden standaard FM en AM
Er zijn weinig problemen met deze tranceivers. Ik heb in mijn FT-101ZD
MK3 de schaalverlichting vervangen.
En ik heb 12V voeding toegevoegd aan de microfoon aansluiting voor het
voeden van een tafelmicrofoon.


Ontvangstgedeelte
Het RF signaal gaat eerst door een bandsperfilter van 9 MHz
daarna wordt het RF signaal versterkt. De VFO loopt van 5 -
5,5MHz. De VFO frequentie of de vaste kanalen en wordt gemengd naar de
bandkristaloscillator.
Het mengproduct van deze mengtrap (bandkristalfrequentie - VFO
frequentie) wordt gemengd is met het RF signaal. Dit is de de
eerste middenfrequentie
8,9875MHz.
De mengproduct (bandkristalfrequentie - VFO frequentie) is ook de
ingang voor de frequentieteller.
| band[m] |
Frequentie [MHz] |
| 160 |
15,9875 |
| 80 |
17,9875 |
| 40 |
21,4875 |
| 30 |
24,4875 |
| 20 |
28,4875 |
| 17 |
32,4875 |
| 15 |
35,4875 |
| 12 |
38,9875 |
| 10A |
42,4875 |
| 10B |
42,9875 |
| 10C |
43,4875 |
| 10D |
43,9875 |
De eerste middenfrequent wordt gefilterd en versterkt . De tweede
middenfrequent is 10,76MHz. Dit mengproduct wordt verkregen met een
kristaloscillator van 19,7475MHz.
De tweede middenfrequent wordt dan gefilterd met kristalfilters. Na het
kristalfilter word het tweede middenfrequent weer terug gemengd naar
8,9875MHz. Beetje merkwaardig
Maar zo kon men gebruik maken van standaard kristalfilters. Vervolgens
wordt de derde middenfrequent gedemoduleerd. Voor SSB ontvangst en CW
is er een BFO oscillator.
De ijkgenerator heeft de frequentie van 3,2MHz en wordt vervolgens
gedeelt naar 25kHz. De ijkgenerator wordt aangesloten direct op de
eerste versterkertrap
-Zendgedeelte
In de stand FM wordt het microfoonsignaal versterkt op het FM bord. En
FM gemoduleerd op draaggolffrequentie 8,968,3MHz.
De morsesleutel zit direct aangesloten op de oscillator In de stand
CW 8,9883MHz in de stand LSB is deze 8,986MHz en USB 8,989MHz.
Het microfoonsignaal wordt met een ringmodulator gemoduleerd.
Vervolgens gefilterd en versterkt.
Het signaal wordt naar de uiteindelijke zendfrequentie gemoduleerdd met
het mengproduct van de bandkristaloscillator en de VFO.
Dit signaal gaat via de driver buis 12BY7A naar de twee eindbuizen
6146B.
.
Voor 2m basis en mobiel gebruik 2m all mode bracht Yeasu in 1978 de
FT-225R en FT-225RD. De "R" versie was voorbereid op een
frequentieteller. De "RD" versie was af-fabriek voorzien van een
frequentieteller.
Kenwood concurrentie was er in vorm van de
TS-700 deze had echter 10W uitgangsvermogen. De FT-225RD is in
geproduceert tot de FT-480R op de markt kwam.
De FT-225RD is 25W. De FT-225RD kan gevoed worden met 13,8V DC of 230V
AC. Er is ook een FT-625R en FT-625RD deze is 6m all mode.
Aangezien 6m
nog niet toegankelijk was voor Nederlandse zendamateurs is deze nooit
verkocht in Nederland.
De FT-225RD loopt van 144 - 148MHz opgesplitst in 4 banden va elk 1MHz
breed.
Ik heb mijn FT-225RD gekocht in 2007. Ik heb 12V toegevoegd aan de
microfoon connector voor het voeden van een tafelmicrofoon.
De frequentieteller heeft weleens problemen met frequentielock. Dit
komt door pieken op de 5V voeding. Ik heb de 5V stabilisatie vervangen
door een L4940V5.
verder heb ik de capactieit vergroot bij de 5V stabilisator. Aangezien
ik voor alles boven 6m N connectoren gebruik. Heb ik het PL259
chassisdeel vervangen door een N chassisdeel.

-ontvangsgedeelte.
De ontvanger gebruikt in de stand CW, SSB en AM één
middenfrequentie van 10,7MHz. In de stand FM gebruikt de ontvanger twee
middenfrequenties 10,7 MHz en 455kHz.
De FT-225RD is pll gestuurd. De PLL frequentie loopt van 133,3MHz -
137,3MHz. De VFO is analoog.
-zendgedeelte
Het microfoonsignaal en CW signaal wordt direct gemoduleerd naar
10,7MHz. De middenfrequentie wordt dan naar 144-148MHz gemengd met de
uitgang van de PLL.
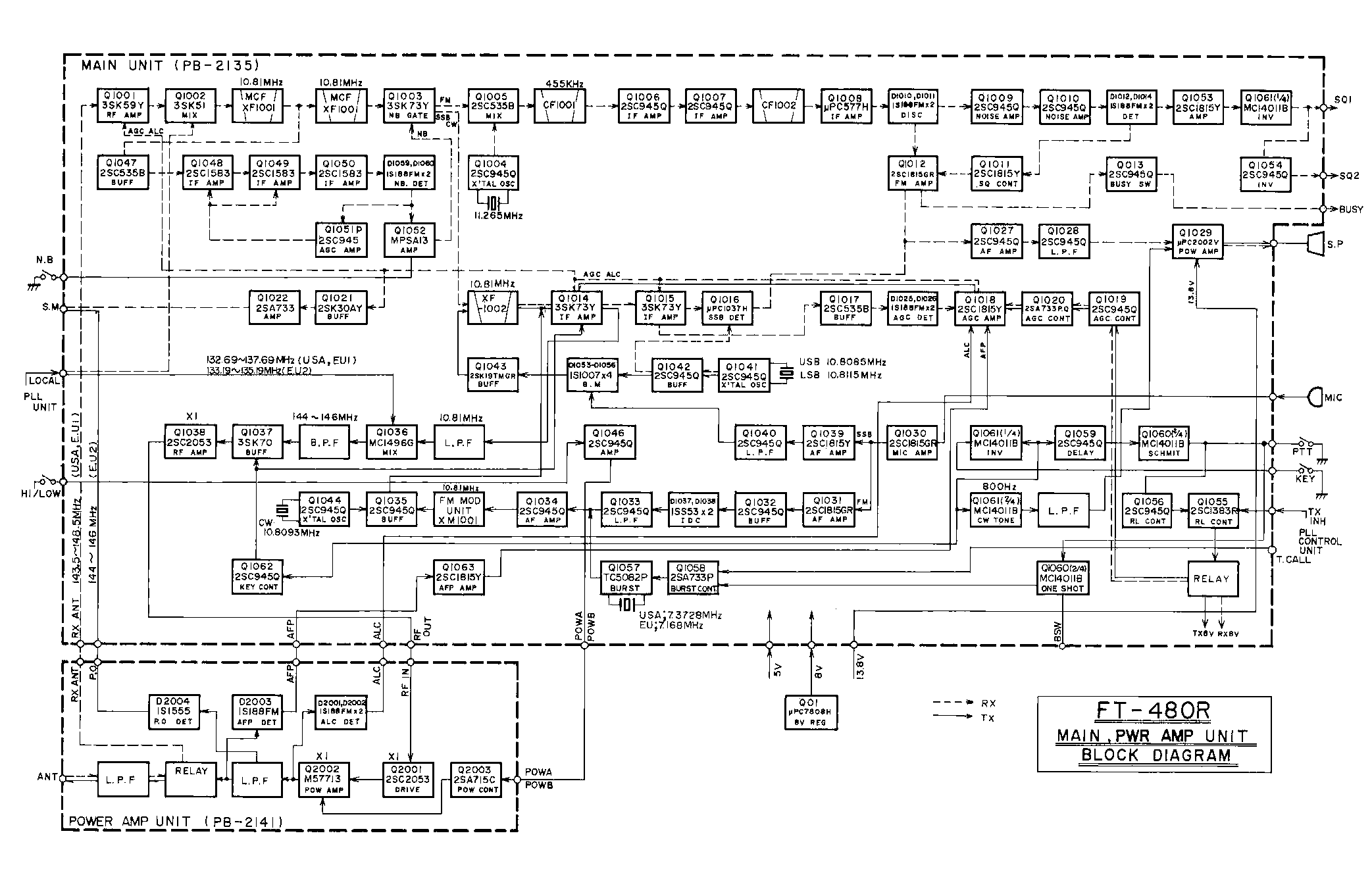
De opvolger van de FT-225RD is de FT-480R.
De Yaesu FT-480R valt nog net in het hybride tijdperk. De FT-480R 2m
all mode, de FT-680R 6m all mode (nooit verkocht in Nederland) en
FT780R 70cm all mode kwamen in 1980 op de markt.
Het uitgangsvermogen
is 10W, voedingsspanning 13,8V DC.
De FT-X80R serie (X=4=2m, X=6=6m enX=7=70cm) is voorzien van twee VFO's
voor ongebruikelijke repeatershifts en er zijn 4 geheugen kanalen.

De Europese versie loopt van 144MHz - 146MHz
De FT-480R heeft een 4 bit microcontroller voor de besturing en is
één van de eerste tranceivers die microcontroller
gestuurd zijn.
De PLL is microprocessor gestuurd en loopt van 133,19 - 135,19MHz.

-ontvangstgedeelte
De ontvanger heeft één middenfrequentie voor SSB,AM en CW
van 10,81MHz. In de stand FM wordt de eerste middenfrequentie naar
455kHz gemengd.
-zendgedeelte
De zender heeft één middenfrequentie 10,81
MHz.
Het is nog steeds mogelijk om verbindingen in SSB/AM en CW te maken met
vintage zenders en ontvangers. Het kost wel iets meer tijd om het een
en ander af te stellen.
Je moet er ook wel gevoel bij hebben en kennis hebben van het afregelen
van de plate en loading. De ervaring leert dat men wel opvalt bij het
maken van verbindingen met de oudere tranceivers.
De buizen zorgen voor een ander geluid dan de tranceivers met DPS en
SDR. De ontvangst is een stuk aangenamer om naar te luisteren dit komt
ondere andere door het gebruik van een preselector. Welke
naburige signalen onderdrukt.
Voor het gebruik van digitale modus maak ik meestal gebruik van een
voor mij "moderne" tranceiver de Yaesu FT-897D die ondertussen ook al
heel wat jaren niet meer in productie is.