Kenwood/ Trio TS-510,TS-515, TS-520, TR-220, TR7200 en VFO-30G,
9R-59DS, geschiedenis en introductie on Nederland tot einde
hybride tijdperk.
Het bedrijf Kasagu Radio Co. LTD werd in 1946 opgericht in Komagane,
Nagano Japan.
In 1960 werd de naam gewijzigd in Trio corporation. In 1963 werd het
eerste buitenlandse kantoor geopend in Los Angels Verenigde staten.
Een Amerikaanse importeur richtte een bedrijf op die Trio in Amerika
importeerde onder de naam Kenwood.
In 1986 kocht Trio Corporation de Amerikaanse importeur Kenwood. En
Trio Corporation kreeg de naam Kenwood corporation.
In 2008 fuseerde Kenwood met JVC.
Kenwood produceerd nog steeds communicatie apparatuur voor de
professionele markt en voor de zendamateur.
Ook produceert het nog steeds hifi aparatuur voor in de huiskamer en de
auto.
De eerste HF zend-ontvanger 10m - 80m van Trio was de TS-500. Deze kwam
in ieder geval in Amerika en in Japan op de markt (rond 1965).
De TS-500 is nooit verkocht in Nederland.
Trio en later Kenwood werd in Nederland geïmporteerd door J.
Schaart
Electronica BV welke in 1966 is opgericht.
Aan de hand van advertenties in de Electron werd Electron eerst
verkocht door een bedrijf in België later werd dit J. Schaart
Electronica BV
De Trio TS-510 is de eerste HF-zendontvanger die Nederland werd
verkocht omstreeks 1968.
In Amerika de TS-510 ook verkocht als Allied A-2517
De concurerende tranceivers in Nederland voor de TS-510 en TS-515
zijn
de Heathkit SB-100, SB-101 en SB-102 en de Yaesu / Sommerkamp FT-250.

De complete lijn bestond uit de voeding/luidspreker PS-510, de HF
zend/ontvanger TS-510 en de VFO-5D.
Ik heb de PS-510, TS-510 en de VFO-5D gekocht in 2008 als
restauratie project.
Ook omdat vroeger op de Christiaan Huygens MTS te Rotterdam de Kenwood
TS-515 werd gebruikt
Het ontvangstgedeelte was goed alleen de het zendgedeelte en dan
eigenlijk de eindrtap was niet goed.
Ook functioneerde een deel van de 10m band niet. Dit bleek een kristal
te zijn wat defect was.
Later heb ik er nog TS-510 voor de onderdelen er bij gekocht.
Er was een poging gedaan om de eindtrap te repareren. De transistor in
het bias gedeelte was vervangen door een incorrect exemplaar.
Ik heb deze wederom vervangen door een originele transistor uit de
donor TS-510.
Tijdens het testen bleek toch dat het vermogen te laag was. Dit bleek
te komen door verslechterde condensatoren in de voeding.
Ik heb zowel de diodes als ook de condensatoren voor de 900V en de 300V
voedingsspanningen vervangen.
Verder heb ik een schakelaar toegevoegd om de hoogspanning uit te
kunnen schakelen.
Ook heb ik de volume/aan uit schakelaar vervangen door het exemplaar
uit de TS-510 donor.
Oorspronkelijk was de aandrijving van de loading en plate uitgevoerd
met rubberen snaren. Met als nadeel dat dit weleens slipte.
Mijn TS-510 was al voorzien van kettingaandrijving. Zoals ook in de
latere TS-511 / TS-515.
De PS-510 voeding/luidspreker levert de voedingspanningen -100V, 150V,
210V, 300V en 800V en de gloeispanningen.
De 150V wordt gestabiliseed met een neon lampje en 6BM8 (=ECL82).
De losse VFO-5D was toen al een extra verkoopargument tijdens
DX-pedities werd al in die tijd gewerkt met verschillende frequenties
voor ontvangst en zenden. De VFO-5D is volledig uitgevoerd met
transistoren. En heeft naast de instelbare frequntie van 4,9 - 5,5MHz
ook een losse kristal oscillator.
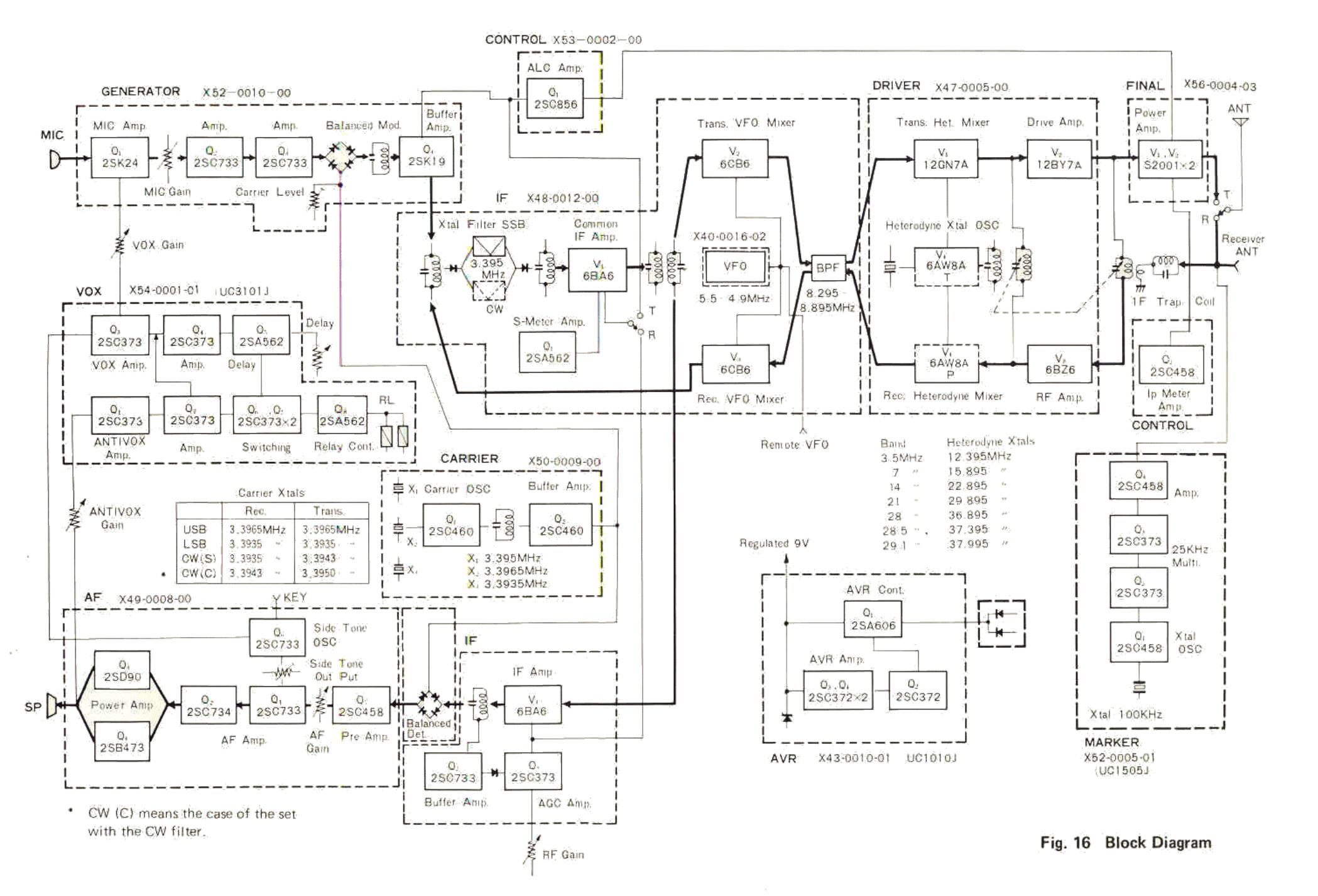
De TS-510 heeft naast de 14 buizen ook 2 FET's, 13 transistoren en 29
diodes.

Ontvangstgedeelte
Het RF signaal loopt via de antenne aanpassing en 8,6MHz sperfilter
naar de eerste versterkingstrap V204 6BZ6.
Voor elke band is er een apart kristal. De kristaloscillator is het
triode gedeelte van V201 triode deel 6AW8A gevolgd door een
transistor buffer
versterker.
| [MHz] |
| Band |
kristal |
| 3,5 |
12,395 |
| 7 |
15,895 |
| 14 |
22,895 |
| 21 |
29,895 |
| 28 |
36,895 |
| 28,5 |
37,395 |
| 29,5 |
37,995 |
Het RF signaal wordt naar beneden en naar boven geme met V203 6CB6.
De eerste midden frequent loopt van 8,895 - 8,295 MHz
Na een banddoorlaatfilter volgt de tweede mixer V303 6CB6.
De interne VFO en de externe VFO loopt vanaf 4,9 - 5,5MHz. De tweede
middenfrequent is 3,395Mhz.
De tweede middenfrequent wordt versterkt met V304 6BA6 (=EF93). Het
signaal wordt gedemoduleert met een ringdetector 1N60.
Voor ontvangst van SSB en CW is er een transistor BFO oscillator.
Het LF signaal wordt versterkt met een transistor trap gevolgd door de
LF eindbuis V401 6BM8(=ECL82)
De 25kHz ijk oscillator is aangesloten direct voor het eerste
bandsperfilter.
Zendgedeelte
De microfoonaansluiting is hoogohmig. Het microfoonsignaal wordt
versterkt door het penthode deel van V601 6GH8A(=ECF82) gevolgd door
cathode volger triode deel V601 6GH8A (ECF82) dit signaal wordt
gemoduleerd door een ring modulator. (USB 3,3965MHz, LSB 3,3935MHz, CW
3,394MHz of 3,395 MHz). Dit gemoduleerde signaal wordt versterkt met
V602 6BA6 (=EF93). Na een kristalfilter wordt dit signaal versterkt
door midden frequent versterker V301 6BA6 (=EF93). V301 6GH8A (=ECF82)
mixt het signaal naar de tweede middenfrequentie met de VFO (8,295 -
8,895 MHz). Na het banddoorlaatfilter wordt het signaal wederom gemixt
naar de uiteindelijke zendfrequentie met V201 6AW8A penthode deel.
De eindtrap bestaat uit V202 12BY7A gevolgd door twee stuks V201 en
V202 S2001=6146B.
De eindtrap is eigenlijk min of meer onveranderd gebleven bij de
opvolgers TS515, TS-520, TS530, TS820 en TS830,
Het rooster van driverbuis 12BY7A is negatief als de cw sleutel niet is
ingedrukt. Bij key-up wordt het rooster kortgesloten naar massa.
Bij key-up loopt er een stroom van een 1,5mA. De negatieve spanning is
ongeveer 150V. Je moet wel bij met name electronische keyers opletten
of het relais contact daar wel tegen kan.
Rond 1970 kwam de Kenwood TS-515 deze werd in Amerika verkocht als
Kenwood TS-511 het verschil tussen de TS-511 en TS-515 waren de driver
buis en de twee eindbuizen.
De TS-511 heeft een 6GK6 driver buis en 2 stuks 6LQ6 als
eindbuizen. Ik heb ook een schema van de TS-515 met de 6GK6 en 2 stuks
6LQ6. Mijn TS-515 heeft de klassieke driver buis 12BY7 en S2001/6146B
eindbuizen. Geen idee of er ook TS-515 verkocht zijn in Nederland met
de 6LQ6. Ik ben tot nu twee stuks TS-515 tegengekomen. De TS-515 op de
Christiaan Huygens MTS te Rotterdam en mijn exemplaar. De TS-515 op de
MTS heb ik nooit in de drie jaar dat ik daar was opengemaakt. Mijn
TS-515 uiteraard wel.
In grote lijnen is de TS-515 indentiek aan de TS-510. Er
zijn verschillen in de electronica. Er zijn minder buizen gebruikt en
meer halfgeleiders. De tranceiver is immers van een later datum. De
rubberen snaren zijn
vervangen door een ketting aandrijving. Overigens zijn deze
kettingen van hetzelfde type als bij Meccano. Ik weet niet of dit een
algemeen gebruikte ketting was.
De TS-515 heeft een actieve koeling van de eindtrap. De
ventillator is 110V AC en wordt gevoed vanuit de PS-515.
en de TS-515 heeft een ruis onderdrukker
De losse VFO-5S is identiek wat betreft electronica aan de VFO-5D
De PS-515 levert iets minder vermogen dan de PS-510 maar is verder
identiek aan elkaar.
Voor extra gemak was er een tafel microfoon de Kenwood MC-50 deze was
niet versterkt.
Wilde men extra vermogen dan was er een eindtrap de Kenwood TL-911 op
SSB 1kW en CW 700W bij een ingangsvermogen van 100Watt

In eerste instantie had ik alleen de TS-515 met de voeding PS-515.
Later heb ik de losse VFO-5S er bij gekocht.
Het ontvangst gedeelte was goed. Echter het zendgedeelte werkte niet.
Eerder had iemand alreeds de voedingscondensatoren vervangen.
Deze waren echter te krap gedimensioneerd en waren van een slechte
kwaliteit. Ik heb opnieuw de voedingscondensatoren vervangen.
Na het reinigen van de bandschakelaar was de TS-515 weer werkend.

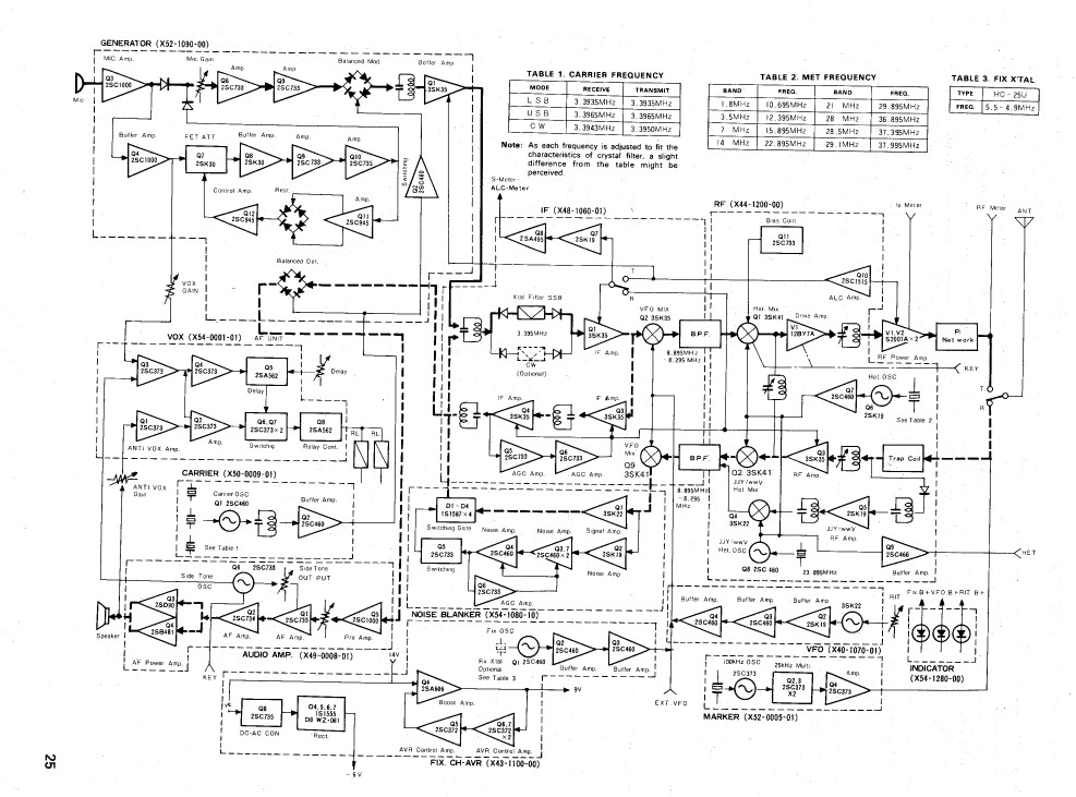
Ontvangstgedeelte
Net als bij de TS-510 is er alleerst een antenneaanpassing en daarna
een
bandsperfilter op 8,6MHz. Het signaal wordt vervolgens versterkt door
een 6BZ6. De kristaloscillator is gebouwd met het triode deel van de
6AW8A . De kristallen zijn identiek aan de TS-510.
Het ontvangstsignaal wordt naar beneden en naar boven gemengd met het
penthode deel van de 6AW8A. De eerste middenfrequent is 8,295 -
8,895MHz na het banddoorlaatfilter wordt de eerste middenfrequent naar
beneden gemengd met een 6CB6. De mengfrequentie loopt ook van 5,5 MHz -
4,9MHz en kan worden geleverd door de interne VFO of de externe VFO. De
tweede middenfrequentie is 3,395MHz, de tweede middenfrequent wordt
versterkt door de 6BA6. De tweede middenfrequentie wordt gedemoduleerd
door een ring detector. De BFO oscillator is opgebouwd met transistoren.
De laagfrequent trap is bij de TS-515 volledig opgebouwd met
transistoren.
Zendgedeelte
De microfoon is hoogohmig, de microfoonversterker is opgebouwd met
transistoren, na de ringmodulator volgt nog een versterkertrap met een
fet. Het gemoduleerde signaal op 3,395MHz wordt daarna versterkt met
een 6BA6. De 6CB6 mengt het signaal naar 8,295 - 8,895 MHz met
behulp van de VFO. Na het banddoorlaatfilter wordt de tweede
zendmiddenfrequentie met de 12QN7A naar de uiteindelijke
uitzendfrequentie gemengd. De driver buis is 12BY7, de eindtrap bestaat
uit twee stuks S2001 (=6146B). En als laatste volgt er het
aanpassingsnetwerk.
De opvolger (1973) van de TS-515 was naast TS-520, TS-520S en
TS-520SE ook de TS-820 en TS-820S deze tranceivers waren
volledig uitvoerd met
halfgeleiders met uitzondering van de eindtrap, de voeding was
ingebouwd zo ook de luidspreker. De concurende tranceivers in Nederland
voor de TS-520 en TS-820 zijn de
Yaesu FT-101, FT-101B, FT-101E, FT-101EE, FT-101EX, FT-101F, FT-101FX
en
Sommerkamp FT-227.
Er waren verschillende accesoires beschikbaar naast de externe vfo
(VFO-520 voor TS-520 en VFO-820 voor TS-820) was er ook een externe
luidspreker SP-520 of SP-820, een bijpassende antennetuner AT-200 en
voor extra vermogen een eindtrap TL-922.
De tranceivers TS-820 en TS-520 hebben ook aansluitingen voor
transvertors TV-502 voor 2m en TV-506 voor 6m.
De TS-520 en TS-820 hadden standaard een netvoeding maar
hadden als optie een 13,8V voedingsaansluiting (DS-1A). Het zend en
ontvangstgedeelte heeft als voedingsspanning 13,8V DC. De hogere
spanningen zijn alleen nodig voor de buizeneindtrap.
De optie had een halfgeleider schakelend voeding voor de
hoogspanningen.
De microfooningang is hoogohmig, de MC-50 is de bijpassende
tafelmicrofoon.
Later kwam er ook station monitor SM-220 op de markt met BS-5 pan
display adapter.
De TS-820 en TS-820S heeft naast de gebruikelijke banden 80-10m ook
160m. Daarnaast was er digitale modus FSK aan toegevoegd. De TS-820 had
geen ingebouwde frequentieteller maar was wel voorbereid. De losse
display unit DG-1A kon achteraf worden ingebouwd. De TS-820S
was standaard voorzien van een ingebouwde frequentieteller.
De TS-520, TS-520S, TS5-20SE, TS-820 hadden standaard een netvoeding
maar
hadden als optie een 13,8V voedingsaansluiting. Het zend en
ontvangstgedeelte heeft als voedingsspanning 13,8V DC. De hogere
spanningen zijn alleen nodig voor de buizeneindtrap.
De optie had een halfgeleider schakelend voeding voor de
hoogspanningen.
De TS-520 serie en TS-820 hadden als een van de eerste tranceivers een
speechproccesor bestaande uit een compressor voor een constant volume
van het audio.
Ik ben in het bezit van TS-520S hier ga ik dieper op in zoals bij de
TS-510 en TS-515

De TS-520S was ook een opknapper. De beide eindbuizen
6146B/S2001 hadden het flink moeilijk gehad door ondeskundig
gebruik. Zelfs de driverbuis 12BY7A was defect. Later heb ik de
bijhorende VFO-520 er bijgekocht,
De TS-520 is verkocht in drie variaties. De TS-520 had geen
aansluiting voor een externe digitale frequentieteller DG-5. De TS-520S
deze
was voorbereid op het aansluiten van de externe digitale
frequentieteller DG-5.
En als laatste de TS-520SE deze was hetzelfde als de TS-520S maar dan
met enkele verbeteringen.
De VFO-520 is min of meer identiek aan de VFO-5D en VFO-5S. De VFO
frequentie loopt ook van 4,9MHz tot 5,5MHz.

Blokschematisch heeft de TS-520S heel veel overeenkomsten met de
voorgangers. Verschil is dat het zend en ontvangstgedeelte volledig
bestaat uit halfgeleiders met uitzondering van de driver buis 12BY7A en
twee stuks S2001 / 6146B. De middenfrequentfrequenties zijn identiek
aan de TS-510 en TS-515 dit geldt ook voor de TS-820.
Ontvangstgedeelte
Na het aanpassingsnetwerk (preselecor) gaat het rf signaal eerst door
een bandsperfilter van 8,6MHz. Na de RF versterkertrap wordt het
signaal naar beneden of naar boven gemengd met vaste kristalfrequenties
die identiek zijn aan de TS-510 en TS-515. De eerste middenfrequenties
zijn 8,895 - 8,295MHz. Na het passeren van het banddoorlaatfilter wordt
de eerste middenfrequentie naar beneden gemengd met de VFO (intern of
extern) welke ook loopt van 4,9MHz - 5,5 MHz. De tweede middenfruentie
wordt gedemoduleerd met een ring detector.
De ijkgenerator wordt op dezelfde manier toegevoegd aan het RF signaal
als bij de voorgangers.
Zendgedeelte
De hoogohmige microfoon wordt eerst versterkt. Daarna wordt deze op het
eerste middenfrequentie gemoduleerd. Na versterking wordt de eerste
middenfrequentie gefilterd door een kristalfilter.
De tweede mengtrap mengt het naar de tweede middenfrequentie met behulp
van de VFO. Na het banddoorlaatfilter wordt de tweede middenfrequentie
naar de uiteindelijke zendfrequentie gemengd met de kristaloscillator.
Dit signaal wordt versterkt met de driver buis 12BY7A eb twee stuks
S2001 / 6146B.
In 1979 zijn er tijdens het World Administrative Radio Conference (WARC) nieuwe banden
toegewezen aan de zendamateur. Dit zijn de 30m band(10,1 - 10,15MHz),
17m band (18,068 - 18,1698 MHz) en de 12m band (24,890 - 24,990 MHz).
Deze frequenties zijn in 1980 in gebruik genomen. In hetzelfde jaar
presenteerde Kenwood de laatste twee hybride sets. De TS-530 (SSB en
CW) en de TS-830 (AM/SSB en CW). Deze hadden naast de gebruikelijke
banden ook de WARC banden. De eerste middenfrequentie en tweede
middenfrequentie zijn afwijkend ten opzichte van de TS-510, TS-515,
TS-520 en TS-820
De concurende tranceivers in Nederland voor de TS-530 en TS-830 zijn de
Yaesu FT-101Z, FT-101ZD en FT-901, FT-902.
In een volgend artikel schrijf ik het een en ander over Yaesu en
Sommerkamp en de tranceivers van Yaesu die ik bezit.
Naast de HF tranceivers maakte Kenwood ook losse communicatie
ontvangers en losse zenders.
Ontvangers die men wel tegenkomt in Nederland uit de periode vanaf het
begin verkoop Trio/Kenwood tot het einde van het hybride tijdperk
zijn de Trio 9R59DS geproduceerd rond 1968 is een ontvanger vanaf
550
kHz tot 30MHz,
R-820 (1973) en R-1000 (1979) .

In 2006 kwam ik in het bezit van de 9R59DS. Ik heb alleen de
verlichting vervangen. De ontvanger is voorzien van
een "remote" aansluiting om hem te combineren met een losse zender
bijvoorbeeld de TX-88DS al hoewel ik deze nog nooit ben tegengekomen.
De bijbehorende luidspreker is de SP-5D
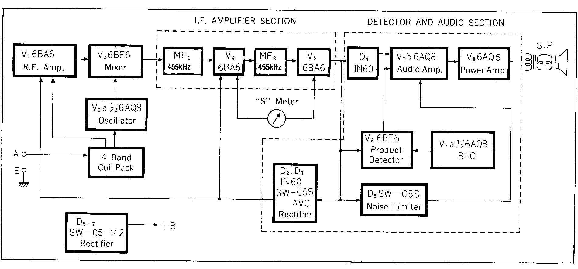
De 9R-59DS is voornamelijk opgebouwd met buizen en een aantal diodes.

De ontvanger heeft 4 banddoorlaatfilters voor de 4 banden (550 - 1600
kHz, 1,6-4,8 MHz, 4,8 - 14,5 MHz en 10,5 - 30 MHz)
Het RFsignaal uit de 4 banddoorlaatfilters wordt versterkt door de 6BA6
(=EF93). De oscillator bestaat een triode van de 6AQ8 (ECC85). Het
versterkte RF signaal wordt naar 455kHz gemend met de 6BE6 (=EK90). Het
signaal gaat eerst door 455kHz bandfilter waarna deze wordt versterkt
door een 6BA6 (=EF93). Het middenfrequent signaal wordt nogmaals
gefilterd en versterkt door een 6BA6(=EF93). Het middenfrequentsignaal
wordt gedemoduleerd met de 6BE6(=EK90). Voor ontvangst van SSB en CW
signaal is er BFO oscillator met een triode helft van een 6AQ6(=ECC85).
De BFO frequentie is instelbaar vanaf de voorzijde van de ontvanger.
Het laagfrequentsignaal wordt versterkt door een triode helft van een
6AQ6(=ECC85). De eindversterker is 6AQ5(=EL90).
Opvallend is dat er maar middenfrequentie is. De ontvanger is voorzien
van een tweede schaal met bandspreiding voor de 80m, 40m, 20m, 15m en
10m band.
Het is een goede ontvanger welke men nog regelmatig tegenkomt op
beurzen en veilingsites.
Halverwege de jaren 70 had Kenwood diverse VHF/UHF tranceivers
voor basisgebruik: de TS-600, TS700 voor 2m all-mode of de TS-770
2m/70cm all mode.
Yaesu had ook VHF all-mode tranceivers voor basisgebruik
de FT-221en later de FT-225RD voor 2m en FT-625RD voor 6m deze is
laatste is nooit verkocht in Nederland omdat we toen nog geen toegang
hadden tot de 6m.
Voor 2m mobiel FM was er in 1974 de Kenwood TR-7200G met 22 kanalen met
kristallen. Voor
doorlopend afstemmen vanaf 144MHz tot 146MHz was er een losse VFO-30G.
De TR-7200 is ook verkocht door Drake dit was de TR-72.
De set levert ongeveer 10Watt, de voedingsspanning is 13,8V DC het
stroomverbruik is dan 3A. Voor basis gebruik was er de Kenwood PS-5
voeding.
De VFO-30G heeft inschakelbare repaeter shift van -600kHz. De VFO
uitgangsfrequentie tijdens ontvangst loopt vanaf 44,432 -
45,1MHz, tijdens zenden 12 - 12,167MHz.

De VFO-30G was voorzien van de onjuiste connector. Deze heb ik
vervangen door de originele. Ook heb ik de schaalverlichtinng
vervangen.

De ontvanger en zender zijn compleet van elkaar gescheiden.
De ontvanger is een dubbel superhetrodyne. De eerste middenfrequentie
is 10,7MHz. De tweede middenfrequentie is 455kHz.
De kristalfrequentie bij ontvangst is 14,8MHz en hoger en wordt 9 keer
vermenigvuldigd. De VFO frequentie wordt 3 maal vermenigvuldigd.
Gewenste ontvangstfrequentie = (kristalfrequentie * 9) + 10,7
gewenste zendfrequentie = kristalfrequentie * 12
De kristalfrequentie en VFO frequentie tijdens het zenden wordt 12 keer
vermenigvuldigd.
Voor portable gebruik was er de TR-2200G deze is voorzien van een
ingebouwde antenne. De set werkt met kristallen en levert ongeveer 2W.
De set is ook verkocht als Drake TR-22
De set werkt zowel op een ingebouwde accu als ook een losse
voeding/lader


De ontvanger is een dubbel superhetrodyne. De eerste middenfrequentie
is 10,7MHz. De tweede middenfrequentie is 455kHz.
De laagste kristalfrequentie bij ontvangst is 44,43 Mhz en wordt met 3
keer
vermenigvuldigd. De kristallen voor ontvangst werken op de derde
overtone.
Gewenste ontvangstfrequentie = (kristalfrequentie * 3) + 10,7
De kristalfrequentie tijdens het zenden wordt 12 keer vermenigvuldigd.
gewenste zendfrequentie = kristalfrequentie * 12
Later was er ook een TR-2200GX deze had een aansluiting voor de VFO-30G.
Het is nog steeds mogelijk om verbindingen in SSB/AM en CW te maken met
vintage zenders en ontvangers. Het kost wel iets meer tijd om het een
en ander af te stellen.
Je moet er ook wel gevoel bij hebben en kennis hebben van het afregelen
van de plate en loading. De ervaring leert dat men wel opvalt bij het
maken van verbindingen met de oudere tranceivers.
De buizen zorgen voor een ander geluid dan de tranceivers met DPS en
SDR. De ontvangst is een stuk aangenamer om naar te luisteren dit komt
ondere andere door het gebruik van een preselector. Welke
naburige signalen onderdrukt.
Voor het gebruik van digitale modus maak ik meestal gebruik van een
voor mij "moderne" tranceiver de Yaesu FT-897D die ondertussen ook al
heel wat jaren niet meer in productie is.